Skip links

How to identify THK’s model type and part number series of the LM (Linear Motion) Guide

Many bearing resellers have the common problem of identifying THK’s model number of a particular LM (Linear Motion) Guide System from the product’s model number.

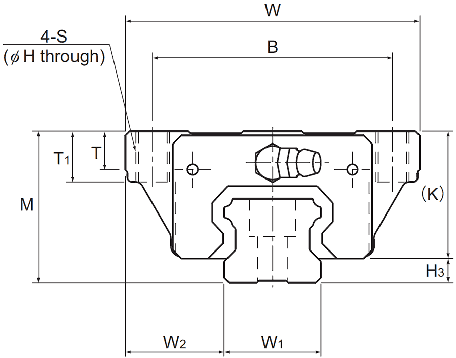
The serial number, located at the top of the block, is usually mistaken for the model number.

The model number however is located on the side of the LM Block (opposite the ground reference surface section on the one side of the LM Block) with THK’s distinctive logo on the left followed by the model type on the right.

TO ACCURATELY IDENTIFY THK’S PRODUCT MODELS, RESELLERS HAVE TO TAKE NOTE OF THE FOLLOWING:

M Value [the dimension from the bottom of the rail to the top of the block]

W Value [the dimensional width of the block

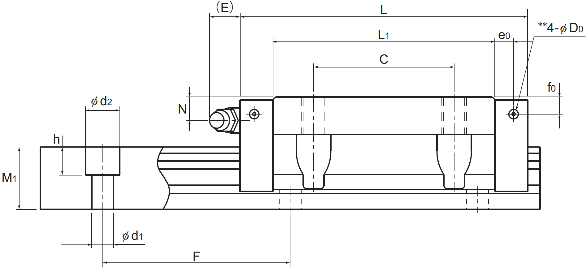
L Value [the dimensional length of the block

B (width) [the dimensional bolt hole pitch in line with the width of the LM Block)

(length) [the dimensional bolt hole pitch in line with the length of the LM Block]

S Value [the bolt value]

K Value [the dimensional height of the LM Block]

Using these values will guarantee the correct identification of your LM Guide model series and ensure that your supplier delivers the accurate product as needed.

Leave a comment

This website uses cookies to improve your web experience.
Home
Search
Call Us
Email Us